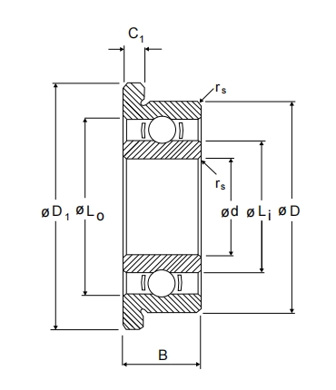
NMB DDRF-1240ZZ軸承尺寸、參數與圖紙
| 基本尺寸 (mm) | |
| 軸承內徑 d | 4 |
| 軸承外徑 D | 12 |
| 開式軸承厚度 B | 4 |
| 密封型軸承厚度 B | 4 |
| 倒角半徑 rs(min) | 0.2 |
| 基本尺寸 (in) | |
| 軸承內徑 d | 0.1575 |
| 軸承外徑 D | 0.4724 |
| 開式軸承厚度 B | 0.1575 |
| 密封型軸承厚度 B | 0.1575 |
| 倒角半徑 rs(min) | 0.008 |
| 安裝尺寸 (mm) | |
| 開式軸承法蘭外徑 D1 | 13.5 |
| 開式軸承法蘭厚度 C1 | 1 |
| 密封式軸承法蘭外徑 D1 | 13.5 |
| 密封式軸承法蘭厚度 C1 | 1 |
| 開式軸承外圈內徑 Lo | 9.99 |
| 開式軸承內圈外徑 Li | 5.62 |
| 密封式軸承外圈內徑 Lo | 9.99 |
| 密封式軸承內圈外徑 Li | 5.62 |
| 載荷(N) | |
| 基本動載荷 | 959 |
| 基本靜載荷 | 347 |
| 滾珠參數 | |
| 數量 Z | 7 |
| 直徑(mm) Dw | 2 |
| 其他參數 | |
| ISO/JIS 標準代號 | F604 |
微型軸承推薦
| NMB LF-1170ZZ軸承 | 基本尺寸,內徑:7.00000mm,外徑:11.00000mm,厚度:2.50000mm。 |
| EZO 629-2RS VA軸承 | 基本尺寸,內徑:9.00000mm,外徑:26.00000mm,厚度:8.00000mm。 |
| NSK 609T1XDDMC3 J2 PS2L5軸承 | 基本尺寸,內徑:9.00000mm,外徑:24.00000mm,厚度:7.00000mm。 |
| NMB R-1650DDRP0P24LY121D6軸承 | 基本尺寸,內徑:5.00000mm,外徑:16.00000mm,厚度:5.00000mm。 |
| NMB L-1060ZZHP0P58LY727軸承 | 基本尺寸,內徑:6.00000mm,外徑:10.00000mm,厚度:2.50000mm。 |
FAG軸承推薦
| FAG 32052-X-XL-DF-A500-550軸承 | FAG 32052-X-XL-DF-A500-550軸承,市場價:¥16800.00元,當前庫存452套,添加時間:2023-08-19 23:03:21 |
| FAG NJ318-E-XL-M1-C4軸承 | FAG NJ318-E-XL-M1-C4軸承,市場價:¥4699.57元,當前庫存6套,添加時間:2023-08-18 22:29:44 |
| FAG NU414-XL-M1-C3軸承 | FAG NU414-XL-M1-C3軸承,市場價:¥3632.57元,當前庫存20套,添加時間:2023-08-19 10:22:40 |
| FAG 627-2Z-HLN軸承 | FAG 627-2Z-HLN軸承,市場價:¥7.42元,當前庫存50套,添加時間:2023-08-15 17:01:13 |
| FAG 23030-E1-XL-K-TVPB-C3軸承 | FAG 23030-E1-XL-K-TVPB-C3軸承,市場價:¥3006.67元,當前庫存1套,添加時間:2023-08-20 18:16:48 |
IKO軸承推薦
| IKO NATB5903軸承 | 基本尺寸,內徑:17.00000mm,外徑:30.00000mm,厚度:18.00000mm。 |
| IKO GE10E軸承 | 基本尺寸,內徑:10.00000mm,外徑:19.00000mm,厚度:9.00000mm。 |
| IKO YT2428軸承 | 基本尺寸,內徑:24.00000mm,外徑:31.00000mm,厚度:28.00000mm。 |
| IKO TAM3030軸承 | 基本尺寸,內徑:30.00000mm,外徑:40.00000mm,厚度:30.00000mm。 |
| IKO TAF192720OG軸承 | 基本尺寸,內徑:19.00000mm,外徑:27.00000mm,厚度:20.00000mm。 |

