NMB R-1760X2KKW09TP1MNP502LY121軸承尺寸、參數與圖紙
| 基本尺寸 (mm) | |
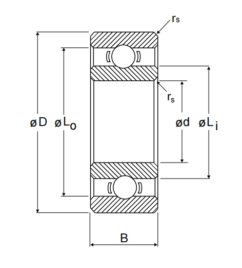
| 軸承內徑 d | 6 |
| 軸承外徑 D | 17 |
| 開式軸承厚度 B | 6 |
| 密封型軸承厚度 B | 6 |
| 倒角半徑 rs(min) | 0.3 |
| 基本尺寸 (in) | |
| 軸承內徑 d | 0.2362 |
| 軸承外徑 D | 0.6693 |
| 開式軸承厚度 B | 0.2362 |
| 密封型軸承厚度 B | 0.2362 |
| 倒角半徑 rs(min) | 0.012 |
| 安裝尺寸 (mm) | |
| 開式軸承外圈內徑 Lo | 14.7 |
| 開式軸承內圈外徑 Li | 8.22 |
| 密封式軸承外圈內徑 Lo | 14.7 |
| 密封式軸承內圈外徑 Li | 8.22 |
| 載荷(N) | |
| 基本動載荷 | 2265 |
| 基本靜載荷 | 839 |
| 滾珠參數 | |
| 數量 Z | 6 |
| 直徑(mm) Dw | 3.5 |
| 其他參數 | |
| ISO/JIS 標準代號 | 606 |
微型軸承推薦
| NMB R-2412X3KKRP0P25LY121軸承 | 基本尺寸,內徑:12.00000mm,外徑:24.00000mm,厚度:6.00000mm。 |
| NMB LF-940ZZMTRP5P24LY121軸承 | 基本尺寸,內徑:4.00000mm,外徑:9.00000mm,厚度:2.50000mm。 |
| NMB DDLF-730ZZHP0P25LY121軸承 | 基本尺寸,內徑:3.00000mm,外徑:7.00000mm,厚度:2.00000mm。 |
| NMB L-1680KKRA1P811LY489軸承 | 基本尺寸,內徑:8.00000mm,外徑:16.00000mm,厚度:4.00000mm。 |
| SKF 608-2RSH/W64軸承 | 基本尺寸,內徑:8.00000mm,外徑:22.00000mm,厚度:7.00000mm。 |
FAG軸承推薦
| FAG QJ244-N2-MPA-C3軸承 | FAG QJ244-N2-MPA-C3軸承,市場價:¥19802.03元,當前庫存3套,添加時間:2023-08-18 11:20:30 |
| FAG 6008-H-C3軸承 | FAG 6008-H-C3軸承,市場價:¥16.07元,當前庫存120套,添加時間:2023-08-17 09:56:20 |
| FAG SMR85-2Z-HLC軸承 | FAG SMR85-2Z-HLC軸承,市場價:¥87.75元,當前庫存1010套,添加時間:2023-08-17 13:04:32 |
| FAG 6205-2Z-L038-C3#E軸承 | FAG 6205-2Z-L038-C3#E軸承,市場價:¥9.33元,當前庫存1套,添加時間:2023-08-16 21:20:01 |
| FAG 23948-MB#E軸承 | FAG 23948-MB#E軸承,市場價:¥3387.62元,當前庫存15套,添加時間:2023-08-20 14:33:32 |
IKO軸承推薦
| IKO GE17GS-2RS軸承 | 基本尺寸,內徑:17.00000mm,外徑:35.00000mm,厚度:20.00000mm。 |
| IKO BAM1212軸承 | 基本尺寸,內徑:19.05000mm,外徑:25.40000mm,厚度:19.05000mm。 |
| IKO TAMW6050軸承 | 基本尺寸,內徑:60.00000mm,外徑:72.00000mm,厚度:50.00000mm。 |
| IKO BRI61812軸承 | 基本尺寸,內徑:9.52500mm,外徑:28.57500mm,厚度:19.05000mm。 |
| IKO TAFI284230軸承 | 基本尺寸,內徑:28.00000mm,外徑:42.00000mm,厚度:30.00000mm。 |

