NTN NUKRT150軸承技術規格
| 類型 | 凸輪從動軸承 |
| 材質 | 淬透鋼 |
| 螺紋類型 | 公制 |
| 保持架材質 | 無 |
| 極限轉速-脂潤滑 | 1300轉/分鐘 |
| 滾子型式 | 球面 |
| 螺柱類型 | 公制 |
| 軸承類型 | 滾針軸承 |
| 外圈類型 | 球面 |
| 附件 | 防塵蓋 |
| 驅動裝置型式 | 插入式 |
| 結構 | 單列 |
| 扭矩 | 1950.0 N ·m |
| 基本額定靜載荷 | 85500 lbf 380000 N |
| 基本額定動載荷 | 58000 lbf 258000 N |
| 軌道額定載荷 | 4950 lbf 22000 N |
| 重量 | 21.385 lb 9.700 kg |
| 應用溫度范圍 | -40 to 250 oF -40 to 120 oC |
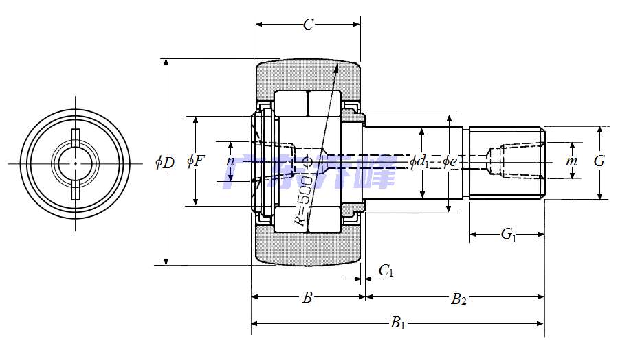
NTN NUKRT150軸承尺寸規格
| 凸輪從動螺柱式滾輪軸承 - 球面外圈,NUKRT型 - 尺寸 | |
| G | M52x1.5 |
| B1 | 6.6929 in 170.000 mm |
| B2 | 4.2126 in 107.000 mm |
| D | 5.9055 in 150.000 mm |
| D公差 | 0/-0.0020 in 0/-0.050 mm |
| B | 2.4803 in 63.000 mm |
| C | 2.3622 in 60.000 mm |
| d1 | 2.0472 in 52.000 mm |
| d1公差 | 0/-0.0012 in 0/-0.030 mm |
| G1 | 2.0472 in 52.000 mm |
| e | 3.3661 in 85.500 mm |
| F | 2.9724 in 75.500 mm |
| C1 | 0.0591 in 1.500 mm |
| n | PT1/8 |
| m | PT1/8 |
| 注油嘴尺寸 | A-PT1/8 |
NTN NUKRT150軸承尺寸圖
NTN軸承推薦
| NTN 6906ZZN軸承 | 描述:軸承型號:6906ZZN,單列深溝球軸承 - 雙面防塵蓋,帶止動環槽 |
| NTN 63212LLU軸承 | 描述:軸承型號:63212LLU,單列深溝球軸承 - 雙面密封(接觸式橡膠密封) |
| NTN EC-6000ZZ軸承 | 描述:軸承型號:EC-6000ZZ,膨脹補償軸承 - 雙面防塵蓋 |
| NTN CH7213CG1DUJ74軸承 | 描述:軸承型號:CH7213CG1DUJ74,雙列混合陶瓷角接觸球軸承,高精度 - 萬能平頂軸承 |
| NTN UEL320-313軸承 | 描述:軸承型號:UEL320-313,帶偏心鎖緊套的外球面軸承,寬外圈 - 球面外圈 |
| NTN M7309EV軸承 | 描述:軸承型號:M7309EV,帶保持架和滾子的外圈,兩個加強筋 |
| NTN NUP317軸承 | 描述:軸承型號:NUP317,圓柱滾子軸承 -可分離型,短內圈帶一個加強筋,帶側板,外圈帶兩個加強筋 |
| NTN MSN1926EL軸承 | 描述:軸承型號:MSN1926EL,圓柱滾子軸承 -可分離型,短內圈帶一個加強筋,外圈帶兩個加強筋 |
| NTN KRVU32軸承 | 描述:軸承型號:KRVU32,凸輪從動螺柱式滾輪軸承 - 球面外圈,KRVU型 |
| NTN NKX35T2+1R30X35X20軸承 | 描述:軸承型號:NKX35T2+1R30X35X20,帶推力球軸承的滾針組合軸承 - 開式帶內圈 |
進口軸承推薦
| TORRINGTON 6304ZZ N C3軸承 | 描述:0.146 kg,單列深溝球軸承 |
| FAG 22220-E1K-TVPB軸承 | 描述:4.6 kg,調心滾子軸承(X-life品質) |
| FAG B7214-C-T-P4S-K5-UM軸承 | 描述:1.1 kg, 大型鋼球主軸軸承 B型 |
| TORRINGTON 200BIC716軸承 | 描述:8.528 kg,單列深溝球軸承 |
| FAG 61826-2RS-HLU軸承 | 描述:0.801 kg,單列深溝球軸承 |
MCGILL軸承推薦
| MCGILL BCFE1S軸承 | 基本尺寸,內徑:0.00000mm,外徑:25.40000mm,厚度:15.88000mm。 |
| MCGILL FCF4軸承 | 基本尺寸,內徑:0.00000mm,外徑:4.00000mm,厚度:2.00000mm。 |
| MCGILL CCFE4SB軸承 | 基本尺寸,內徑:0.00000mm,外徑:101.60000mm,厚度:57.15000mm。 |
| MCGILL CF-1/2-N-SB軸承 | 基本尺寸,內徑:0.00000mm,外徑:12.70000mm,厚度:9.53000mm。 |
| MCGILL FCF3-1/2軸承 | 基本尺寸,內徑:0.00000mm,外徑:3.50000mm,厚度:2.00000mm。 |

